Wikipedia

Elysium Planitia

Also found in: Encyclopedia.
Elysium Planitia
Elysium Planitia topo.jpg
MOLA topographical map of Elysium Planitia (spacecraft landing sites are annotated in Commons)
Coordinates3°00′N 154°42′E / 3.0°N 154.7°E
Location of Elysium Plantia on Mars

Elysium Planitia, located in the Elysium and Aeolis quadrangles, is a broad plain that straddles the equator of Mars, centered at 3°00′N 154°42′E / 3.0°N 154.7°E.[1] It lies to the south of the volcanic province of Elysium, the second largest volcanic region on the planet, after Tharsis. Elysium contains the major volcanoes Elysium Mons, Albor Tholus and Hecates Tholus. Another more ancient shield volcano, Apollinaris Mons, is situated just to the south of eastern Elysium Planitia. Within the plains, Cerberus Fossae is the only Mars location with recent volcanic eruptions. Lava flows dated no older than 0.2 million years from the present have been found,[2] and evidence has been found that volcanic activity may have occurred as recently as 53,000 years ago. Such activity could have provided the environment, in terms of energy and chemicals, needed to support life forms.[3][4]

The largest craters in Elysium Planitia are Eddie, Lockyer, and Tombaugh. The planitia also has river valleys—one of which, Athabasca Valles may be one of the youngest on Mars. On the north east side is an elongated depression called Orcus Patera, and this and some of the eastern plains were imaged in the 1965 Mariner 4 flyby.[5]

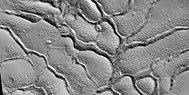
A 2005 photo of a locale in Elysium Planitia at 5°N, 150°E by the Mars Express spacecraft shows what may be ash-covered water ice. The volume of ice is estimated to be 800 km (500 mi) by 900 km (560 mi) in size and 45 m (148 ft) deep, similar in size and depth to the North Sea.[6] The ice is thought to be the remains of water floods from the Cerberus Fossae fissures about 2 to 10 million years ago. The surface of the area is broken into 'plates' like broken ice floating on a lake (see below). Impact crater counts show that the plates are up to 1 million years older than the gap material, showing that the area solidified much too slowly for the material to be basaltic lava.[7]

Overview

Exploration

NASA's InSight mission landed in Elysium Planitia on November 26, 2018.[8] It took off from Earth on the 5th May 2018. The probe will study the internal structure of Mars and by so doing improve understanding of the planet's evolution. InSight Mars lander was able to take color pictures from the surface Elysium Planitia and sent them by radio signal back to Earth. During the descent sequence two additional items were jettisoned, the backshell with parachute, and heat shield, and they impacted in the vicinity of the lander.

First images of Elysium Planitia from InSight's Instrument Context Camera (ICC, left), without lens cover and stretched (ICC, Middle), and the Instrument Deployment Camera (IDC, right)

In March 2017, scientists from the Jet Propulsion Laboratory announced that the landing site had been selected. It is located in western Elysium Planitia at 4°30′N 135°54′E / 4.5°N 135.9°E (InSight landing site).[9] The landing site is about 600 km (370 mi) north from where the Curiosity rover is operating in Gale Crater.[10]

All the originally proposed landing sites are in Elysium Planitia; this ellipse, located at 4°30′N 136°00′E / 4.5°N 136°E, represents the site finally selected.
Image footprints by HiRise on Mars Reconnaissance Orbiter for studying the planned Insight landing ellipse. From east to west the scale is about 160 km (100 mi)
InSight final landing location (red dot)
(13 December 2018)
InSight backshell with parachute, lander, heat shield (11 December 2018)
InSight backshell with parachute, lander, heat shield
(26 November 2018)

Fractured ground

Mesas

Cones

Gallery

Interactive Mars map

Acidalia PlanitiaAmazonis PlanitiaArabia TerraArcadia PlanitiaArgyre PlanitiaChryse PlanitiaCydonia MensaeDaedalia PlanumElysium MonsElysium PlanitiaHellas PlanitiaIsidis PlanitiaMargaritifer TerraNoachis TerraOlympus MonsPlanum AustralePromethei TerraTempe TerraTerra CimmeriaTerra SabaeaTerra SirenumTharsis MontesUtopia PlanitiaValles MarinerisVastitas BorealisXanthe TerraMap of Mars
The image above contains clickable linksInteractive image map of the global topography of Mars. Hover over the image to see the names of over 60 prominent geographic features, and click to link to them. Coloring of the base map indicates relative elevations, based on data from the Mars Orbiter Laser Altimeter on NASA's Mars Global Surveyor. Whites and browns indicate the highest elevations (+12 to +8 km); followed by pinks and reds (+8 to +3 km); yellow is 0 km; greens and blues are lower elevations (down to −8 km). Axes are latitude and longitude; Polar regions are noted.
(See also: Mars Rovers map and Mars Memorial map) (view • discuss)

See also

References

  1. ^ "Elysium Planitia". Gazetteer of Planetary Nomenclature. USGS Astrogeology Science Center. Retrieved 2018-05-07.
  2. ^ Horvath, David G.; Moitra, Pranabendu; Hamilton, Christopher W.; Craddock, Robert A.; Andrews-Hanna, Jeffrey C. (2020), Evidence for geologically recent explosive volcanism in Elysium Planitia, Mars, arXiv:2011.05956
  3. ^ O'Callaghan, Jonathan (20 November 2020). "Signs of Recent Volcanic Eruption on Mars Hint at Habitats for Life - Not thought to be volcanically active, Mars may have experienced an eruption just 53,000 years ago". The New York Times. Retrieved 25 November 2020.
  4. ^ Horvath, David G.; et al. (11 November 2020). "Evidence for geologically recent explosive volcanism in Elysium Planitia, Mars". arXiv:2011.05956 [astro-ph.EP].
  5. ^ Williams, Dave; Friedlander, Jay. "The Orcus Patera region on Mars". Mars - Mariner 4. NASA. Retrieved December 20, 2015.
  6. ^ Young, Kelly (2005-02-25). "'Pack ice' suggests frozen sea on Mars". New Scientist. Retrieved 2007-01-30.
  7. ^ Murray, JB; Muller, JP; Neukum, G; Werner, SC; Van Gasselt, S; Hauber, E; Markiewicz, WJ; Head Jw, 3rd; et al. (17 March 2007). "Evidence ... for a frozen sea close to Mars' equator". Nature. 434 (7031): 352–355. Bibcode:2005Natur.434..352M. doi:10.1038/nature03379. PMID 15772653. S2CID 4373323.
  8. ^ "Landing Status | Landing – NASA's InSight Mars Lander". NASA's InSight Mars Lander.
  9. ^ Golombek, M.; et al. (2017). Selection of the 2018 Insight Landing Site. 48th Lunar and Planetary Science Conference. 20–24 March 2017. The Woodlands, Texas. Bibcode:2017LPI....48.1515G. LPI Contribution No. 1964, id.1515.
  10. ^ "InSight's Landing Site: Elysium Planitia". NASA. 25 January 2018. Archived from the original on 2019-01-02. Retrieved 1 February 2018.

External links

This article is copied from an article on Wikipedia® - the free encyclopedia created and edited by its online user community. The text was not checked or edited by anyone on our staff. Although the vast majority of Wikipedia® encyclopedia articles provide accurate and timely information, please do not assume the accuracy of any particular article. This article is distributed under the terms of GNU Free Documentation License.

Copyright © 2003-2025 Farlex, Inc Disclaimer
All content on this website, including dictionary, thesaurus, literature, geography, and other reference data is for informational purposes only. This information should not be considered complete, up to date, and is not intended to be used in place of a visit, consultation, or advice of a legal, medical, or any other professional.