Wikipedia

Superconducting quantum computing

Superconducting quantum computing is an implementation of a quantum computer in superconducting electronic circuits. Research in superconducting quantum computing is conducted by companies such as Google,[1] IBM,[2] IMEC,[3] BBN Technologies,[4] Rigetti,[5] and Intel.[6] As of May 2016, up to nine fully controllable qubits are demonstrated in a 1D array,[7] up to sixteen in a 2D architecture.[2]

In October 2019, the Martinis group, who partnered with Google, published an article demonstrating for the first time quantum supremacy, using a chip with 53 superconducting qubits.[8]

More than two thousand superconducting qubits are in a commercial product by D-Wave Systems, however these qubits implement quantum annealing instead of a universal model of quantum computation.

A device consisting of four superconducting transmon qubits, four quantum buses, and four readout resonators fabricated by IBM and published in npj Quantum Information in January 2017.[9]

Background

Classical computation models rely on physical implementations consistent with the laws of classical mechanics.[10] It is known, however, that the classical description is only accurate for specific systems with large amounts of atoms, while the more general description of nature is given by quantum mechanics. Quantum computation studies the application of quantum phenomena, that are beyond the scope of classical approximation, for information processing and communication. Various models of quantum computation exist, however the most popular models incorporate the concepts of qubits and quantum gates. A qubit is a generalization of a bit - a system with two possible states, that can be in a quantum superposition of both. A quantum gate is a generalization of a logic gate: it describes the transformation that one or more qubits will experience after the gate is applied on them, given their initial state. The physical implementation of qubits and gates is difficult, for the same reasons that quantum phenomena are hard to observe in everyday life. One approach is to implement the quantum computers in superconductors, where the quantum effects become macroscopic, though at a price of extremely low operation temperatures.

In a superconductor, the basic charge carriers are pairs of electrons (known as Cooper pairs), rather than the single electrons in a normal conductor. The total spin of a Cooper pair is an integer number, thus the Cooper pairs are bosons (while the single electrons in the normal conductor are fermions). Cooled bosons, contrary to cooled fermions, are allowed to occupy a single quantum energy level, in an effect known as the Bose-Einstein condensate. In a classical interpretation it would correspond to multiple particles occupying the same position in space and having an equal momentum, effectively behaving as a single particle.

At every point of a superconducting electronic circuit (that is a network of electrical elements), the condensate wave function describing the charge flow is well-defined by a specific complex probability amplitude. In a normal conductor electrical circuit, the same quantum description is true for individual charge carriers, however the various wave functions are averaged in the macroscopic analysis, making it impossible to observe quantum effects. The condensate wave function allows designing and measuring macroscopic quantum effects. For example, only a discrete number of magnetic flux quanta penetrates a superconducting loop, similarly to the discrete atomic energy levels in the Bohr model. In both cases, the quantization is a result of the complex amplitude continuity. Differing from the microscopic quantum systems (such as atoms or photons) used for implementations of quantum computers, the parameters of the superconducting circuits may be designed by setting the (classical) values of the electrical elements that compose them, e.g. adjusting the capacitance or inductance.

In order to obtain a quantum mechanical description of an electrical circuit a few steps are required. First, all the electrical elements are described with the condensate wave function amplitude and phase, rather than with the closely related macroscopic current and voltage description used for classical circuits. For example, a square of the wave function amplitude at some point in space is the probability of finding a charge carrier there, hence the square of the amplitude corresponds to the classical charge distribution. Second, generalized Kirchhoff's circuit laws are applied at every node of the circuit network to obtain the equations of motion. Finally, the equations of motion are reformulated to Lagrangian mechanics and a quantum Hamiltonian is derived.

Technology

The devices are typically designed in the radio-frequency spectrum, cooled down in dilution refrigerators below 100mK and addressed with conventional electronic instruments, e.g. frequency synthesizers and spectrum analyzers. Typical dimensions on the scale of micrometers, with sub-micrometer resolution, allow a convenient design of a quantum Hamiltonian with the well-established integrated circuit technology.

A distinguishing feature of superconducting quantum circuits is the usage of a Josephson junction - an electrical element non existent in normal conductors. A junction is a weak connection between two leads of a superconducting wire, usually implemented as a thin layer of insulator with a shadow evaporation technique. The condensate wave functions on the two sides of the junction are weakly correlated - they are allowed to have different superconducting phases, contrary to the case of a continuous superconducting wire, where the superconducting wave function must be continuous. The current through the junction occurs by quantum tunneling. This is used to create a non-linear inductance which is essential for qubit design, as it allows a design of anharmonic oscillators. A quantum harmonic oscillator cannot be used as a qubit, as there is no way to address only two of its states.

Qubit archetypes

The three superconducting qubit archetypes are the phase, charge and flux qubits, though many hybridizations exist (Fluxonium,[11] Transmon,[12] Xmon,[13] Quantronium[14]). For any qubit implementation, the logical quantum states are to be mapped to the different states of the physical system, typically to the discrete (quantized) energy levels or to their quantum superpositions. In the charge qubit, different energy levels correspond to an integer number of Cooper pairs on a superconducting island. In the flux qubit, the energy levels correspond to different integer numbers of magnetic flux quanta trapped in a superconducting ring. In the phase qubit, the energy levels correspond to different quantum charge oscillation amplitudes across a Josephson junction, where the charge and the phase are analogous to momentum and position correspondingly of a quantum harmonic oscillator. Note that the phase here is the complex argument of the superconducting wavefunction, also known as the superconducting order parameter, not the phase between the different states of the qubit.

In the table below, the three archetypes are reviewed. In the first row, the qubit electrical circuit diagram is presented. In the second, the quantum Hamiltonian derived from the circuit is shown. Generally, the Hamiltonian can be divided to a "kinetic" and "potential" parts, in analogy to a particle in a potential well. The particle mass corresponds to some inverse function of the circuit capacitance, while the shape of the potential is governed by the regular inductors and Josephson junctions. One of the first challenges in qubit design is to shape the potential well and to choose the particle mass in a way that the energy separation between specific two of the energy levels will differ from all other inter-level energy separations in the system. These two levels will be used as the logical states of the qubit. The schematic wave solutions in the third row of the table depict the complex amplitude of the phase variable. In other words, if a phase of the qubit is measured while the qubit is in a specific state, there is a non-zero probability to measure a specific value only where the depicted wave function oscillates. All three rows are essentially three different presentations of the same physical system.

Superconducting qubit archetypes [15]
Type
Aspect
Charge Qubit RF-SQUID Qubit (prototype of the Flux Qubit) Phase Qubit
Circuit
Charge qubit circuit

A superconducting island (encircled with a dashed line) defined between the leads of a capacitor with capacitance and a Josephson junction with energy is biased by voltage

Flux qubit circuit

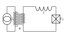
A superconducting loop with inductance is interrupted by a junction with Josephson energy . Bias flux is induced by a flux line with a current

Phase qubit circuit.

Josephson junction with energy parameter is biased by a current

Hamiltonian

, where is the number of Cooper pairs to tunnel the junction, is the charge on the capacitor in units of Cooper pairs number, is the charging energy associated with both the capacitance and the Josephson junction capacitance , and is the superconducting wave function phase difference across the junction.

, where is the charge on the junction capacitance and is the superconducting wave function phase difference across the Josephson junction. is allowed to take values greater than , and thus is alternatively defined as the time integral of voltage along the inductance .

, where is the capacitance associated with the Josephson junction, is the magnetic flux quantum, is the charge on the junction capacitance and is the phase across the junction.

Potential
Charge qubit potential

The potential part of the Hamiltonian, , is depicted with the thick red line. Schematic wave function solutions are depicted with thin lines, lifted to their appropriate energy level for clarity. Only the solid wave functions are used for computation. The bias voltage is set so that , minimizing the energy gap between and , thus making the gap different from other energy gaps (e.g. the gap between and ). The difference in gaps allows addressing transitions from to and vice versa only, without populating other states, thus effectively treating the circuit as a two-level system (qubit).

Flux qubit potential

The potential part of the Hamiltonian, , plotted for the bias flux , is depicted with the thick red line. Schematic wave function solutions are depicted with thin lines, lifted to their appropriate energy level for clarity. Only the solid wave functions are used for computation. Different wells correspond to a different number of flux quanta trapped in the superconducting loops. The two lower states correspond to a symmetrical and an antisymmetrical superposition of zero or single trapped flux quanta, sometimes denoted as clockwise and counterclockwise loop current states: and .

Phase qubit potential

The so-called "washboard" potential part of the Hamiltonian, , is depicted with the thick red line. Schematic wave function solutions are depicted with thin lines, lifted to their appropriate energy level for clarity. Only the solid wave functions are used for computation. The bias current is adjusted to make the wells shallow enough to contain exactly two localized wave functions. A slight increase in the bias current causes a selective "spill" of the higher energy state (), expressed with a measurable voltage spike - a mechanism commonly used for phase qubit measurement.

Single qubits

The GHz energy gap between the energy levels of a superconducting qubit is intentionally designed to be compatible with available electronic equipment, due to the terahertz gap - lack of equipment in the higher frequency band. In addition, the superconductor energy gap implies a top limit of operation below ~1THz (beyond it, the Cooper pairs break). On the other hand, the energy level separation cannot be too small due to cooling considerations: a temperature of 1K implies energy fluctuations of 20 GHz. Temperatures of tens of mili-Kelvin achieved in dilution refrigerators allow qubit operation at a ~5 GHz energy level separation. The qubit energy level separation may often be adjusted by means of controlling a dedicated bias current line, providing a "knob" to fine tune the qubit parameters.

Single qubit gates

An arbitrary single qubit gate is achieved by rotation in the Bloch sphere. The rotations between the different energy levels of a single qubit are induced by microwave pulses sent to an antenna or transmission line coupled to the qubit, with a frequency resonant with the energy separation between the levels. Individual qubits may be addressed by a dedicated transmission line, or by a shared one if the other qubits are off resonance. The axis of rotation is set by quadrature amplitude modulation of the microwave pulse, while the pulse length determines the angle of rotation.[16]

More formally, following the notation of,[16] for a driving signal

of frequency , a driven qubit Hamiltonian in a rotating wave approximation is

,

where is the qubit resonance and are Pauli matrices.

In order to implement a rotation about the axis, one can set and apply the microwave pulse at frequency for time . The resulting transformation is

,

that is exactly the rotation operator by angle about the axis in the Bloch sphere. An arbitrary rotation about the axis can be implemented in a similar way. Showing the two rotation operators is sufficient for universality, as every single qubit unitary operator may be presented as (up to a global phase, that is physically unimportant) by a procedure known as the decomposition.[17]

For example, setting results with a transformation

,

that is known as the NOT gate (up to the global phase ).

Coupling qubits

Coupling qubits is essential for implementing 2-qubit gates. Coupling two qubits may be achieved by connecting them to an intermediate electrical coupling circuit. The circuit might be a fixed element, such as a capacitor, or controllable, such as a DC-SQUID. In the first case, decoupling the qubits (during the time the gate is off) is achieved by tuning the qubits out of resonance one from another, i.e. making the energy gaps between their computational states different.[18] This approach is inherently limited to allow nearest-neighbor coupling only, as a physical electrical circuit has to be laid out between the connected qubits. Notably, D-Wave Systems' nearest-neighbor coupling achieves a highly connected unit cell of 8 qubits in the Chimera graph configuration. Generally, quantum algorithms require coupling between arbitrary qubits, therefore the connectivity limitation is likely to require multiple swap operations, limiting the length of the possible quantum computation before the processor decoherence.

Another method of coupling two or more qubits is by coupling them to an intermediate quantum bus. The quantum bus is often implemented as a microwave cavity, modeled by a quantum harmonic oscillator. Coupled qubits may be brought in and out of resonance with the bus and one with the other, hence eliminating the nearest-neighbor limitation. The formalism used to describe this coupling is cavity quantum electrodynamics, where qubits are analogous to atoms interacting with optical photon cavity, with the difference of GHz rather than THz regime of the electromagnetic radiation.

Cross resonant gate

One popular gating mechanism includes two qubits and a bus, all tuned to different energy level separations. Applying microwave excitation to the first qubit, with a frequency resonant with the second qubit, causes a rotation of the second qubit. The rotation direction depends on the state of the first qubit, allowing a controlled phase gate construction. [19]

More formally, following the notation of,[19] the drive Hamiltonian describing the system excited through the first qubit driving line is

,

where is the shape of the microwave pulse in time, is the resonance frequency of the second qubit, are the Pauli matrices, is the coupling coefficient between the two qubits via the resonator, is the qubit detuning, is the stray (unwanted) coupling between qubits and is Planck constant divided by . The time integral over determines the angle of rotation. Unwanted rotations due to the first and third terms of the Hamiltonian can be compensated with single qubit operations. The remaining part, combined with single qubit rotations, forms a basis for the su(4) Lie algebra.

Qubit readout

Architecture-specific readout (measurement) mechanisms exist. The readout of a phase qubit is explained in the qubit archetypes table above. A state of the flux qubit is often read by an adjust DC-SQUID magnetometer. A more general readout scheme includes a coupling to a microwave resonator, where the resonance frequency of the resonator is dispersively shifted by the qubit state.[20][21]

DiVincenzo's criteria

The list of DiVincenzo's criteria for a physical system to implement a logical qubit is satisfied by the superconducting implementation. The challenges currently faced by the superconducting approach are mostly in the field of microwave engineering.[20]

  1. A scalable physical system with well characterised qubits. As the superconducting qubits are fabricated on a chip, the many-qubit system is readily scalable, with qubits allocated on the 2D surface of the chip. Much of the current development effort is to achieve an interconnect, control and readout in the third dimension, with additional lithography layers. The demand of well characterised qubits is fulfilled with (a) qubit non-linearity, accessing only two of the available energy levels and (b) accessing a single qubit at a time, rather than the entire many-qubit system, by per-qubit dedicated control lines and/or frequency separation (tuning out) of the different qubits.
  2. The ability to initialise the state of the qubits to a simple fiducial state. One simple way to initialize a qubit is to wait long enough for the qubit to relax to its energy ground state. In addition, controlling the qubit potential by the tuning knobs allows faster initialization mechanisms.
  3. Long relevant decoherence times. Decoherence of superconducting qubits is affected by multiple factors. Most of it is attributed to the quality of the Josephson junction and imperfections in the chip substrate. Due to their mesoscopic scale, the superconducting qubits are relatively short lived. Nevertheless, thousands of gate operations have been demonstrated in many-qubit systems.[22]
  4. A “universal” set of quantum gates. Superconducting qubits allow arbitrary rotations in the Bloch sphere with pulsed microwave signals, thus implementing arbitrary single qubit gates. and couplings are shown for most of the implementations, thus complementing the universal gate set.[23][24]
  5. A qubit-specific measurement capability. In general, single superconducting qubit may be addressed for control or measurement.

External links

  • IBM Quantum Experience allows building and running quantum algorithms on a 16 superconducting qubits processor.
  • The IBM Q Network offers access to commercial 20-qubit systems, and has tested a 50 qubit prototype to be available to the network in the next generation.

References

  1. ^ Castelvecchi, Davide (5 January 2017). "Quantum computers ready to leap out of the lab in 2017". Nature. pp. 9–10. Bibcode:2017Natur.541....9C. doi:10.1038/541009a.
  2. ^ a b "IBM Makes Quantum Computing Available on IBM Cloud". www-03.ibm.com. 4 May 2016.
  3. ^ "Imec enters the race to unleash quantum computing with silicon qubits". www.imec-int.com. Retrieved 2019-11-10.
  4. ^ Colm A. Ryan, Blake R. Johnson, Diego Ristè, Brian Donovan, Thomas A. Ohki, "Hardware for Dynamic Quantum Computing", arXiv:1704.08314v1
  5. ^ "Rigetti Launches Quantum Cloud Services, Announces $1Million Challenge". HPCwire. 2018-09-07. Retrieved 2018-09-16.
  6. ^ "Intel Invests US$50 Million to Advance Quantum Computing | Intel Newsroom". Intel Newsroom.
  7. ^ Kelly, J.; Barends, R.; Fowler, A. G.; Megrant, A.; Jeffrey, E.; White, T. C.; Sank, D.; Mutus, J. Y.; Campbell, B.; Chen, Yu; Chen, Z.; Chiaro, B.; Dunsworth, A.; Hoi, I.-C.; Neill, C.; O’Malley, P. J. J.; Quintana, C.; Roushan, P.; Vainsencher, A.; Wenner, J.; Cleland, A. N.; Martinis, John M. (4 March 2015). "State preservation by repetitive error detection in a superconducting quantum circuit". Nature. 519 (7541): 66–69. arXiv:1411.7403. Bibcode:2015Natur.519...66K. doi:10.1038/nature14270. PMID 25739628.
  8. ^ Arute, Frank; Arya, Kunal; Babbush, Ryan; Bacon, Dave; Bardin, Joseph C.; Barends, Rami; Biswas, Rupak; Boixo, Sergio; Brandao, Fernando G. S. L.; Buell, David A.; Burkett, Brian; Chen, Yu; Chen, Zijun; Chiaro, Ben; Collins, Roberto; Courtney, William; Dunsworth, Andrew; Farhi, Edward; Foxen, Brooks; Fowler, Austin; Gidney, Craig; Giustina, Marissa; Graff, Rob; Guerin, Keith; Habegger, Steve; Harrigan, Matthew P.; Hartmann, Michael J.; Ho, Alan; Hoffmann, Markus; Huang, Trent; Humble, Travis S.; Isakov, Sergei V.; Jeffrey, Evan; Jiang, Zhang; Kafri, Dvir; Kechedzhi, Kostyantyn; Kelly, Julian; Klimov, Paul V.; Knysh, Sergey; Korotkov, Alexander; Kostritsa, Fedor; Landhuis, David; Lindmark, Mike; Lucero, Erik; Lyakh, Dmitry; Mandrà, Salvatore; McClean, Jarrod R.; McEwen, Matthew; Megrant, Anthony; Mi, Xiao; Michielsen, Kristel; Mohseni, Masoud; Mutus, Josh; Naaman, Ofer; Neeley, Matthew; Neill, Charles; Niu, Murphy Yuezhen; Ostby, Eric; Petukhov, Andre; Platt, John C.; Quintana, Chris; Rieffel, Eleanor G.; Roushan, Pedram; Rubin, Nicholas C.; Sank, Daniel; Satzinger, Kevin J.; Smelyanskiy, Vadim; Sung, Kevin J.; Trevithick, Matthew D.; Vainsencher, Amit; Villalonga, Benjamin; White, Theodore; Yao, Z. Jamie; Yeh, Ping; Zalcman, Adam; Neven, Hartmut; Martinis, John M. (October 2019). "Quantum supremacy using a programmable superconducting processor". Nature. 574 (7779): 505–510. doi:10.1038/s41586-019-1666-5.
  9. ^ Gambetta, J. M.; Chow, J. M.; Steffen, M. (2017). "Building logical qubits in a superconducting quantum computing system". npj Quantum Information. 3 (1): 2. Bibcode:2017npjQI...3....2G. doi:10.1038/s41534-016-0004-0.
  10. ^ Dayal, Geeta. "LEGO Turing Machine Is Simple, Yet Sublime". WIRED.
  11. ^ Manucharyan, V. E.; Koch, J.; Glazman, L. I.; Devoret, M. H. (1 October 2009). "Fluxonium: Single Cooper-Pair Circuit Free of Charge Offsets". Science. 326 (5949): 113–116. arXiv:0906.0831. Bibcode:2009Sci...326..113M. doi:10.1126/science.1175552. PMID 19797655.
  12. ^ Houck, A. A.; Koch, Jens; Devoret, M. H.; Girvin, S. M.; Schoelkopf, R. J. (11 February 2009). "Life after charge noise: recent results with transmon qubits". Quantum Information Processing. 8 (2–3): 105–115. arXiv:0812.1865. doi:10.1007/s11128-009-0100-6.
  13. ^ Barends, R.; Kelly, J.; Megrant, A.; Sank, D.; Jeffrey, E.; Chen, Y.; Yin, Y.; Chiaro, B.; Mutus, J.; Neill, C.; O’Malley, P.; Roushan, P.; Wenner, J.; White, T. C.; Cleland, A. N.; Martinis, John M. (22 August 2013). "Coherent Josephson Qubit Suitable for Scalable Quantum Integrated Circuits". Physical Review Letters. 111 (8): 080502. arXiv:1304.2322. Bibcode:2013PhRvL.111h0502B. doi:10.1103/PhysRevLett.111.080502. PMID 24010421.
  14. ^ Metcalfe, M.; Boaknin, E.; Manucharyan, V.; Vijay, R.; Siddiqi, I.; Rigetti, C.; Frunzio, L.; Schoelkopf, R. J.; Devoret, M. H. (21 November 2007). "Measuring the decoherence of a quantronium qubit with the cavity bifurcation amplifier". Physical Review B. 76 (17): 174516. arXiv:0706.0765. Bibcode:2007PhRvB..76q4516M. doi:10.1103/PhysRevB.76.174516.
  15. ^ Devoret, M. H.; Wallraff, A.; Martinis, J. M. (6 November 2004). "Superconducting Qubits: A Short Review". arXiv:cond-mat/0411174.
  16. ^ a b Motzoi, F.; Gambetta, J. M.; Rebentrost, P.; Wilhelm, F. K. (8 September 2009). "Simple Pulses for Elimination of Leakage in Weakly Nonlinear Qubits". Physical Review Letters. 103 (11): 110501. arXiv:0901.0534. Bibcode:2009PhRvL.103k0501M. doi:10.1103/PhysRevLett.103.110501. PMID 19792356.
  17. ^ Chuang, Michael A. Nielsen & Isaac L. (2010). Quantum computation and quantum information (10th anniversary ed.). Cambridge: Cambridge University Press. pp. 174–176. ISBN 978-1-107-00217-3.
  18. ^ Rigetti, Chad Tyler (2009). Quantum gates for superconducting qubits. p. 21. Bibcode:2009PhDT........50R. ISBN 9781109198874.
  19. ^ a b Chow, Jerry M.; Córcoles, A. D.; Gambetta, Jay M.; Rigetti, Chad; Johnson, B. R.; Smolin, John A.; Rozen, J. R.; Keefe, George A.; Rothwell, Mary B.; Ketchen, Mark B.; Steffen, M. (17 August 2011). "Simple All-Microwave Entangling Gate for Fixed-Frequency Superconducting Qubits". Physical Review Letters. 107 (8): 080502. arXiv:1106.0553. Bibcode:2011PhRvL.107h0502C. doi:10.1103/PhysRevLett.107.080502. PMID 21929152.
  20. ^ a b Gambetta, Jay M.; Chow, Jerry M.; Steffen, Matthias (13 January 2017). "Building logical qubits in a superconducting quantum computing system". npj Quantum Information. 3 (1): 2. Bibcode:2017npjQI...3....2G. doi:10.1038/s41534-016-0004-0.
  21. ^ Blais, Alexandre; Huang, Ren-Shou; Wallraff, Andreas; Girvin, Steven; Schoelkopf, Robert (2004). "Cavity quantum electrodynamics for superconducting electrical circuits: An architecture for quantum computation". Phys. Rev. A. 69 (6): 062320. arXiv:cond-mat/0402216. doi:10.1103/PhysRevA.69.062320.
  22. ^ Devoret, M. H.; Schoelkopf, R. J. (7 March 2013). "Superconducting Circuits for Quantum Information: An Outlook". Science. 339 (6124): 1169–1174. Bibcode:2013Sci...339.1169D. doi:10.1126/science.1231930. PMID 23471399.
  23. ^ Chow, Jerry M.; Gambetta, Jay M.; Córcoles, A. D.; Merkel, Seth T.; Smolin, John A.; Rigetti, Chad; Poletto, S.; Keefe, George A.; Rothwell, Mary B.; Rozen, J. R.; Ketchen, Mark B.; Steffen, M. (9 August 2012). "Universal Quantum Gate Set Approaching Fault-Tolerant Thresholds with Superconducting Qubits". Physical Review Letters. 109 (6): 060501. arXiv:1202.5344. Bibcode:2012PhRvL.109f0501C. doi:10.1103/PhysRevLett.109.060501. PMID 23006254.
  24. ^ Niskanen, A. O.; Harrabi, K.; Yoshihara, F.; Nakamura, Y.; Lloyd, S.; Tsai, J. S. (4 May 2007). "Quantum Coherent Tunable Coupling of Superconducting Qubits". Science. 316 (5825): 723–726. Bibcode:2007Sci...316..723N. doi:10.1126/science.1141324. PMID 17478714.
This article is copied from an article on Wikipedia® - the free encyclopedia created and edited by its online user community. The text was not checked or edited by anyone on our staff. Although the vast majority of Wikipedia® encyclopedia articles provide accurate and timely information, please do not assume the accuracy of any particular article. This article is distributed under the terms of GNU Free Documentation License.

Copyright © 2003-2025 Farlex, Inc Disclaimer
All content on this website, including dictionary, thesaurus, literature, geography, and other reference data is for informational purposes only. This information should not be considered complete, up to date, and is not intended to be used in place of a visit, consultation, or advice of a legal, medical, or any other professional.