Wikipedia

Open Graphics Project

Also found in: Acronyms.
Open Graphics Project
Commercial?Yes
Type of projectOpen hardware
Websitewiki.opengraphics.org
Open Graphics Development board artwork

The Open Graphics Project (OGP) was founded with the goal to design an open-source hardware / open architecture and standard for graphics cards, primarily targeting free software / open-source operating systems. The project created a reprogrammable development and prototyping board and had aimed to eventually produce a full-featured and competitive end-user graphics card.

OGD1

OGD1 prototype – OGD1-256DDAV.

The project's first product was a PCI graphics card dubbed OGD1, which used a field-programmable gate array (FPGA) chip. Although the card could not compete with graphics cards on the market at the time in terms of performance or functionality, it was intended to be useful as a tool for prototyping the project's first application-specific integrated circuit (ASIC) board, as well as for other professionals needing programmable graphics cards or FPGA-based prototyping boards. It was also hoped that this prototype would attract enough interest to gain some profit and attract investors for the next card, since it was expected to cost around US$2,000,000 to start the production of a specialized ASIC design. PCI Express and/or Mini-PCI variations were planned to follow. The OGD1 began shipping in September 2010,[1] some six years after the project began and 3 years after the appearance of the first prototypes.[2]

Full specifications will be published and open-source device drivers will be released. All RTL will be released. Source code to the device drivers and BIOS will be released under the MIT and BSD licenses. The RTL (in Verilog) used for the FPGA and the RTL used for the ASIC are planned to be released under the GNU General Public License (GPL).

It has 256 MiB of DDR RAM, is passively cooled, and follows the DDC, EDID, DPMS and VBE VESA standards. TV-out is also planned.

Versioning schema

Versioning schema for OGD1 will go like this:

{Root Number} – {Video Memory}{Video Output Interfaces}{Special Options e.g.: A1 OGA firmware installed}

Field Example Value Example Description
Root number OGD1P- OGD1 board with PCI Bus
Video memory 256 256 MiB
Video outputs, in order, skip any not installed
First interface D Dual-link DVI
Second interface D Dual-link DVI
Third interface A Analog video, 75 ohm, VGA compatible
Fourth interface V TV video
Special options, in alphanumeric order, each preceded by a dash
Factory firmware-RTL A1 OGA1 Firmware

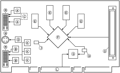
OGD1 components

Open Graphics Development board component map

Main components of OGD1 graphics card (shown on the picture)[3]

A) DVI transmitter pair A
B) DVI transmitter pair B
C) 330MHz triple 10-bit DAC (behind)
D) TV chip
E) 2x4 256 megabit DDR SDRAM (front, behind)
F) Xilinx 3S4000 FPGA (main chip)
G) Lattice XP10 FPGA (host interface)
H) SPI PROM 1 Mibit
J) SPI PROM 16 Mibit
K) 3x 500 MHz DACs (optional)
L) 64-bit PCI-X edge connector
M) DVI-I connector A and connector B
N) S-Video connector
O) 100-pin expansion bus connector

Divisions/terms related to OGP

Open Graphics Project (OGP)
The group of people developing OGA, its written documentation, and its products.
Open Graphics Architecture (OGA)
The trade name for open graphics architectures specified by the Open Graphics Project.
Open Graphics Development (OGD)
The initial FPGA-based experimentation board used as a test platform for TRV ASICs.
Traversal Technology (TRV)
The commercial name for the first ASIC products, based on the Open Graphics Architecture.
Open Graphics Card (OGC)
Graphics cards based on TRV chips.
Open Hardware Foundation (OHF)
A non-profit corporation whose charter is to promote the design and production of open-source and open-documentation hardware.

See also

References

  1. ^ "OGD1's Now Available!". Archived from the original on 15 June 2017. Retrieved 12 January 2017.
  2. ^ "First Open Graphics board appears". The Inquirer.
  3. ^ "OGD1 map guide". Open Graphics wiki. Archived from the original on 27 September 2007. Retrieved 4 September 2006.

External links

This article is copied from an article on Wikipedia® - the free encyclopedia created and edited by its online user community. The text was not checked or edited by anyone on our staff. Although the vast majority of Wikipedia® encyclopedia articles provide accurate and timely information, please do not assume the accuracy of any particular article. This article is distributed under the terms of GNU Free Documentation License.

Copyright © 2003-2025 Farlex, Inc Disclaimer
All content on this website, including dictionary, thesaurus, literature, geography, and other reference data is for informational purposes only. This information should not be considered complete, up to date, and is not intended to be used in place of a visit, consultation, or advice of a legal, medical, or any other professional.