Wikipedia

Chua's circuit

Chua's circuit. The component NR is a nonlinear negative resistance called a Chua's diode. It is usually made of a circuit containing an amplifier with positive feedback.
The current–voltage characteristic of the Chua diode

Chua's circuit (also known as a Chua circuit) is a simple electronic circuit that exhibits classic chaotic behavior. This means roughly that it is a "nonperiodic oscillator"; it produces an oscillating waveform that, unlike an ordinary electronic oscillator, never "repeats". It was invented in 1983 by Leon O. Chua, who was a visitor at Waseda University in Japan at that time.[1] The ease of construction of the circuit has made it a ubiquitous real-world example of a chaotic system, leading some to declare it "a paradigm for chaos".[2]

Chaotic criteria

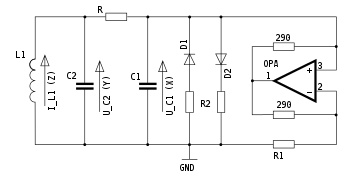
One version of Chua's circuit, where the nonlinear Chua's diode is synthesized by an op amp negative impedance converter (OPA1) and a diode–resistor network (D1, D2, R2)

An autonomous circuit made from standard components (resistors, capacitors, inductors) must satisfy three criteria before it can display chaotic behaviour.[3] It must contain:

  1. one or more nonlinear elements,
  2. one or more locally active resistors,
  3. three or more energy-storage elements.

Chua's circuit is the simplest electronic circuit meeting these criteria.[3] As shown in the top figure, the energy storage elements are two capacitors (labeled C1 and C2) and an inductor (labeled L; L1 in lower figure).[4] A "locally active resistor" is a device that has negative resistance and is active (it can amplify), providing the power to generate the oscillating current. The locally active resistor and nonlinearity are combined in the device NR, which is called "Chua's diode". This device is not sold commercially but is implemented in various ways by active circuits. The circuit diagram shows one common implementation. The nonlinear resistor is implemented by two linear resistors and two diodes. At the far right is a negative impedance converter made from three linear resistors and an operational amplifier, which implements the locally active resistance (negative resistance).

Dynamics

Computer simulation of Chua's circuit after 100 seconds, showing chaotic "double scroll" attractor pattern
Chua's attractor for different values of the α parameter

Analyzing the circuit using Kirchhoff's circuit laws, the dynamics of Chua's circuit can be accurately modeled by means of a system of three nonlinear ordinary differential equations in the variables x(t), y(t), and z(t), which represent the voltages across the capacitors C1 and C2 and the electric current in the inductor L1 respectively. These equations are:

The function f(x) describes the electrical response of the nonlinear resistor, and its shape depends on the particular configuration of its components. The parameters α and β are determined by the particular values of the circuit components.

A computer-assisted proof of chaotic behavior (more precisely, of positive topological entropy) in Chua's circuit was published in 1997.[5] A self-excited chaotic attractor, known as "the double scroll" because of its shape in the (x, y, z) space, was first observed in a circuit containing a nonlinear element such that f(x) was a 3-segment piecewise-linear function.[6]

The easy experimental implementation of the circuit, combined with the existence of a simple and accurate theoretical model, makes Chua's circuit a useful system to study many fundamental and applied issues of chaos theory. Because of this, it has been object of much study and appears widely referenced in the literature.

Further, Chua' s circuit can be easily realized by using a multilayer CNN (cellular nonlinear network). CNNs were invented by Leon Chua in 1988.

The Chua diode can also be replaced by a memristor; an experimental setup that implemented Chua's chaotic circuit with a memristor was demonstrated by Muthuswamy in 2009; the memristor was actually implemented with active components in this experiment.[7]

Self-excited and hidden Chua attractors

Two hidden chaotic attractors and one hidden periodic attractor coexist with two trivial attractors in Chua circuit (from the IJBC cover[8]).

The classical implementation of Chua circuit is switched on at the zero initial data, thus a conjecture was that the chaotic behavior is possible only in the case of unstable zero equilibrium. In this case a chaotic attractor in mathematical model can be obtained numerically, with relative ease, by standard computational procedure where after transient process a trajectory, started from a point of unstable manifold in a small neighborhood of unstable zero equilibrium, reaches and computes a self-excited attractor. To date, a large number of various types of self-excited chaotic attractors in Chua's system have been discovered.[9] However, in 2009, N. Kuznetsov discovered hidden Chua's attractors coexisting with stable zero equilibrium,[10][11] and since then various scenarios of the birth of hidden attractors have been described.[8]

Experimental confirmation

First experimental confirmation of chaos from Chua's circuit was reported in 1985 at the Electronics Research Lab at U.C. Berkeley.[12]

See also

  • Chaos computing
  • Multiscroll attractor
  • Leon Chua

Notes

  1. ^ Matsumoto, Takashi (December 1984). "A Chaotic Attractor from Chua's Circuit" (PDF). IEEE Transactions on Circuits and Systems. IEEE. CAS-31 (12): 1055–1058. doi:10.1109/TCS.1984.1085459. Retrieved 2008-05-01.
  2. ^ Madan, Rabinder N. (1993). Chua's circuit: a paradigm for chaos. River Edge, N.J.: World Scientific Publishing Company. Bibcode:1993ccpc.book.....M. ISBN 981-02-1366-2.
  3. ^ a b Kennedy, Michael Peter (October 1993). "Three steps to chaos – Part 1: Evolution" (PDF). IEEE Transactions on Circuits and Systems. Institute of Electrical and Electronic Engineers. 40 (10): 640. doi:10.1109/81.246140. Retrieved February 6, 2014.
  4. ^ Kennedy, Michael Peter (October 1993). "Three steps to chaos – Part 2: A Chua's circuit primer" (PDF). IEEE Transactions on Circuits and Systems. Institute of Electrical and Electronic Engineers. 40 (10): 658. doi:10.1109/81.246141. Retrieved February 6, 2014.
  5. ^ Z. Galias, "Positive topological entropy of Chua's circuit: a computer-assisted proof", Int. J. Bifurcations and Chaos, 7 (1997), pp. 331–349.
  6. ^ Chua, Leon O.; Matsumoto, T.; Komuro, M. (August 1985). "The Double Scroll". IEEE Transactions on Circuits and Systems. IEEE. CAS-32 (8): 798–818. doi:10.1109/TCS.1985.1085791.
  7. ^ Bharathwaj Muthuswamy, "Implementing memristor based chaotic circuits", International Journal of Bifurcation and Chaos, Vol. 20, No. 5 (2010) 1335–1350, World Scientific Publishing Company, doi:10.1142/S0218127410026514.
  8. ^ a b Stankevich N. V.; Kuznetsov N. V.; Leonov G. A.; Chua L. (2017). "Scenario of the birth of hidden attractors in the Chua circuit". International Journal of Bifurcation and Chaos. 27 (12): 1730038–188. arXiv:1710.02677. Bibcode:2017IJBC...2730038S. doi:10.1142/S0218127417300385.
  9. ^ Bilotta, E.; Pantano, P. (2008). Gallery of Chua Attractors. World Scientific. ISBN 978-981-279-062-0.
  10. ^ Leonov G. A.; Vagaitsev V. I.; Kuznetsov N. V. (2011). "Localization of hidden Chua's attractors" (PDF). Physics Letters A. 375 (23): 2230–2233. Bibcode:2011PhLA..375.2230L. doi:10.1016/j.physleta.2011.04.037.
  11. ^ Leonov G. A.; Kuznetsov N. V. (2013). "Hidden attractors in dynamical systems. From hidden oscillations in Hilbert–Kolmogorov, Aizerman, and Kalman problems to hidden chaotic attractor in Chua circuits". International Journal of Bifurcation and Chaos. 23 (1): 1330002–219. Bibcode:2013IJBC...2330002L. doi:10.1142/S0218127413300024.
  12. ^ Zhong, G.-Q.; Ayrom, F. (January 1985). "Experimental confirmation of chaos from Chua's circuit". International Journal of Circuit Theory and Applications. 13 (1): 93–98. doi:10.1002/cta.4490130109.

References

  • Chaos synchronization in Chua's circuit, Leon O Chua, Berkeley: Electronics Research Laboratory, College of Engineering, University of California, [1992], OCLC: 44107698
  • Chua's Circuit Implementations: Yesterday, Today and Tomorrow, L. Fortuna, M. Frasca, M. G. Xibilia, World Scientific Series on Nonlinear Science, Series A - Vol. 65, 2009, ISBN 978-981-283-924-4

Further reading

  • Recai Kilic (2010). A Practical Guide for Studying Chua's Circuits. World Scientific. Bibcode:2010pgsc.book.....K. ISBN 978-981-4291-14-9.

External links

This article is copied from an article on Wikipedia® - the free encyclopedia created and edited by its online user community. The text was not checked or edited by anyone on our staff. Although the vast majority of Wikipedia® encyclopedia articles provide accurate and timely information, please do not assume the accuracy of any particular article. This article is distributed under the terms of GNU Free Documentation License.

Copyright © 2003-2025 Farlex, Inc Disclaimer
All content on this website, including dictionary, thesaurus, literature, geography, and other reference data is for informational purposes only. This information should not be considered complete, up to date, and is not intended to be used in place of a visit, consultation, or advice of a legal, medical, or any other professional.