Wikipedia

Nut (hardware)

Also found in: Dictionary, Encyclopedia.
(redirected from hex nut)
An M4 nut threaded onto an Allen key socket head screw

A nut is a type of fastener with a threaded hole. Nuts are almost always used in conjunction with a mating bolt to fasten multiple parts together. The two partners are kept together by a combination of their threads' friction (with slight elastic deformation), a slight stretching of the bolt, and compression of the parts to be held together.

In applications where vibration or rotation may work a nut loose, various locking mechanisms may be employed: lock washers, jam nuts, specialist adhesive thread-locking fluid such as Loctite, safety pins (split pins) or lockwire in conjunction with castellated nuts, nylon inserts (nyloc nut), or slightly oval-shaped threads.

Square nuts, as well as bolt heads, were the first shape made and used to be the most common largely because they were much easier to manufacture, especially by hand. While rare today due to the reasons stated below for the preference of hexagonal nuts, they are occasionally used in some situations when a maximum amount of torque and grip is needed for a given size: the greater length of each side allows a spanner to be applied with a larger surface area and more leverage at the nut.

The most common shape today is hexagonal, for similar reasons as the bolt head: six sides give a good granularity of angles for a tool to approach from (good in tight spots), but more (and smaller) corners would be vulnerable to being rounded off. It takes only one sixth of a rotation to obtain the next side of the hexagon and grip is optimal. However, polygons with more than six sides do not give the requisite grip and polygons with fewer than six sides take more time to be given a complete rotation. Other specialized shapes exist for certain needs, such as wingnuts for finger adjustment and captive nuts (e.g. cage nuts) for inaccessible areas.

A wide variety of nuts exists, from household hardware versions to specialized industry-specific designs that are engineered to meet various technical standards. Fasteners used in automotive, engineering, and industrial applications usually need to be tightened to a specific torque setting, using a torque wrench. Nuts are graded with strength ratings compatible with their respective bolts; for example, an ISO property class 10 nut will be able to support the bolt proof strength load of an ISO property class 10.9 bolt without stripping. Likewise, an SAE class 5 nut can support the proof load of an SAE class 5 bolt, and so on.

Nuts come in many sizes. This one is part of the Sydney Harbour Bridge.

Types

Name Image Description
Acorn nut (cap nut) Domed cap nut.jpg
Barrel nut Quergewindebolzen QD-M6-7,5-13x16,2.jpg
Cage nut Kafigmutter.jpg
Clip-on nut (J-nut or U-nut) Two spire clips.jpg
Coupling nut Coupling Nut.svg
Cross dowel Cross dowel.png
Flange nut (collar nut) Serrated hex flange nut.jpg
Insert nut Rampamuffe (klein).jpg
Knurled nut (Knurled nut or Thumb nut) Knurled nuts, Lexington MA.jpg
Sex bolt Sleeve nuts.jpg
Split nut
Sleeve nut
Square nut Square nuts from Ace Hardware, Concord MA.jpg
Staked/welded nut (for plastic)
Swage nut 17-SwageNuts.JPG
T-nut Inslagmoer.JPG
T-slot nut (T-groove or T-slot nut) CAD model of a T-Nut 1.png
Wedge nut Wedge nut.png
Weld nut Slab base weld nut.png
Well nut Well nut.jpg
Wing nut, (butterfly nut) Wingnut-hardware.jpg

Locknuts

  • Castellated nut
  • Distorted thread locknut
    • Centerlock nut
    • Elliptical offset locknut
    • Toplock nut
  • Interfering thread nut
    • Tapered thread nut
  • Jam nut
  • Jet nut (K-nut)
  • Keps nut (K-nut or washer nut) with a star-type lock washer
  • Nyloc plate nut
  • Polymer insert nut (Nyloc)
  • Security locknut
  • Serrated face nut
  • Serrated flange nut
  • Speed nut (Sheet metal nut or Tinnerman nut)
  • Split beam nut
  • BINX nut[1]

Gallery

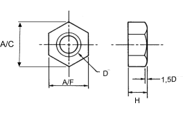
Standard nut sizes

Metric hex nuts

Nut quotation





Note that flat (wrench) sizes differ between industry standards. For example, wrench sizes of fastener used in Japanese built cars comply with JIS automotive standard.

Nominal hole
diameter, D (mm)
Pitch,
P (mm)
Across flats,
A/F (mm)
External
diameter;
across
corners
,
A/C (mm)
Height, H (mm)
1st
choice
2nd
choice
Coarse Fine ISO DIN JIS Hex nut Jam nut Nylon nut
1 0.25 2.5
1.2 0.25
1.4 0.3
1.6 0.35 3.2
1.8 0.35
2 0.4 4 1.6 1.2 -
2.5 0.45 5 2 1.6 -
3 0.5 5.5 6.4 2.4 1.8 4
3.5 0.6 6
4 0.7 7 7 7 8.1 3.2 2.2 5
5 0.8 8 8 8 9.2 4 2.7 5
6 1 0.75 10 10 10 11.5 5 3.2 6
7 1 11 5.5 3.5 -
8 1.25 1 13 13 12 15 6.5 4 8
10 1.5 1.25 or 1 16 17 14 19.6 8 5 10
12 1.75 1.5 or 1.25 18 19 17 22.1 10 6 12
14 2 1.5 21 22 19 11 7 14
16 2 1.5 24 24 22 27.7 13 8 16
18 2.5 2 or 1.5 27 27 15 9 18.5
20 2.5 2 or 1.5 30 30 30 34.6 16 10 20
22 2.5 2 or 1.5 32
24 3 2 36 41.6 19
27 3 2 41 41
30 3.5 2 46 53.1 24
33 3.5 2
36 4 3 55 63.5 29
39 4 3
42 4.5 3
45 4.5 3
48 5 3
52 5 4
56 5.5 4
60 5.5 4
64 6 4

SAE hex nuts

UTS
size
Nominal hole
diameter, D
Pitch, P Across flats,
A/F
Across corners,
A/C
Height, H
Coarse (UNC) Fine (UNF) Extra fine (UNEF) Hex nut Jam nut Nylon nut
(in) (mm) (in) (mm) (in) (mm) (in) (mm) (in) (mm) (in) (mm) (in) (mm) (in) (mm) (in) (mm)
#0 5&fras1;32 0.1563 3.969
#1 5&fras1;32 0.1563 3.969
#2 0.086 2.1844 3&fras1;16 0.1875 4.763 5.18 1.65
#3 3&fras1;16 0.1875 4.763 5.10 1.85
#4 0.1120 2.8448 1&fras1;4 0.2500 6.35 7.05 2.25
#6 0.1380 3.5052 5&fras1;16 0.3125 7.938 8.95 2.85
#8 0.1640 4.1656 11&fras1;32 0.3440 8.731 0.386 9.80 3.05
#10 0.1900 4.8260 3&fras1;8 0.3750 9.525 0.461 11.70 3.10
#12 0.2160 5.4864 7&fras1;16 0.4375 11.113
1&fras1;4 1&fras1;4 0.250 6.350 7&fras1;16 0.4375 11.113
5&fras1;16 5&fras1;16 0.3125 7.9375 1&fras1;2 0.5000 12.700 0.577
3&fras1;8 3&fras1;8 0.375 9.525 9&fras1;16 0.5620 14.288 0.650
7&fras1;16 7&fras1;16 11&fras1;16 0.6750 17.463
1&fras1;2 1&fras1;2 0.500 12.70 3&fras1;4 0.7500 19.050 0.866
9&fras1;16 9&fras1;16 7&fras1;8 0.8750 22.225
5&fras1;8 5&fras1;8 15&fras1;16 0.9375 23.813 1.083
3&fras1;4 3&fras1;4 0.750 1 1&fras1;8 1.1250 28.575 1.299
7&fras1;8 7&fras1;8 1 5&fras1;16 1.3125 33.338
1 1 1 25.40 1 1&fras1;2 1.5000 38.100 1.653

Classifications

Mechanical specifications of Metric/English sized nuts[2]
Material Proof strength Min. tensile yield strength Min. tensile ultimate strength Nut marking Nut class
ISO 898 (Metric)
Low or medium carbon steel 380 MPa (55 ksi) 420 MPa (61 ksi) 520 MPa (75 ksi) Nut marking Metric Class 5 8.png 5
Medium carbon steel Q&T 580 MPa (84 ksi) 640 MPa (93 ksi) 800 MPa (116 ksi) Nut marking Metric Class 8 8.png 8
Alloy steel Q&T 830 MPa (120 ksi) 940 MPa (136 ksi) 1040 MPa (151 ksi) Nut marking Metric Class 10 9.png 10
SAE J995 (English)
Low or medium carbon steel 55 ksi (379 MPa) 57 ksi (393 MPa) 74 ksi (510 MPa) Nut marking SAE Grade 2.png 2
Medium carbon steel Q&T 85 ksi (586 MPa) 92 ksi (634 MPa) 120 ksi (827 MPa) Nut marking SAE Grade 5.png 5
Alloy steel Q&T 120 ksi (827 MPa) 130 ksi (896 MPa) 150 ksi (1034 MPa) Nut marking SAE Grade 8.png 8

Manufacture

Use of two nuts to prevent self-loosening

In normal use, a nut-and-bolt joint holds together because the bolt is under a constant tensile stress called the preload. The preload pulls the nut threads against the bolt threads, and the nut face against the bearing surface, with a constant force, so that the nut cannot rotate without overcoming the friction between these surfaces. If the joint is subjected to vibration, however, the preload increases and decreases with each cycle of movement. If the minimum preload during the vibration cycle is not enough to hold the nut firmly in contact with the bolt and the bearing surface, then the nut is likely to become loose.

Specialized locking nuts exist to prevent this problem, but sometimes it is sufficient to add a second nut. For this technique to be reliable, each nut must be tightened to the correct torque. The inner nut is tightened to about a quarter to a half of the torque of the outer nut. It is then held in place by a wrench while the outer nut is tightened on top using the full torque. This arrangement causes the two nuts to push against each other, creating a tensile stress in the short section of the bolt that lies between them. Even when the main joint is vibrated, the stress between the two nuts remains constant, thus holding the nut threads in constant contact with the bolt threads and preventing self-loosening. When the joint is assembled correctly, the outer nut bears the full tension of the joint. The inner nut functions merely to add a small additional force to the outer nut and does not need to be as strong, so a thin nut (also called a jam nut) can be used.[3]

See also

References

  1. ^ fastenerdata.co.uk, retrieved 2019-03-08.
  2. ^ Bickford & Nassar 1998, p. 153.
  3. ^ The Use of Two Nuts to Prevent Self Loosening, Bill Eccles, Bolt Science Limited, accessed 2011-07-17

Bibliography

This article is copied from an article on Wikipedia® - the free encyclopedia created and edited by its online user community. The text was not checked or edited by anyone on our staff. Although the vast majority of Wikipedia® encyclopedia articles provide accurate and timely information, please do not assume the accuracy of any particular article. This article is distributed under the terms of GNU Free Documentation License.

Copyright © 2003-2025 Farlex, Inc Disclaimer
All content on this website, including dictionary, thesaurus, literature, geography, and other reference data is for informational purposes only. This information should not be considered complete, up to date, and is not intended to be used in place of a visit, consultation, or advice of a legal, medical, or any other professional.